用途別情報
溶接機

溶接機は、2つ以上の金属部材に熱または圧力を加え、溶融・一体化する装置です。
自動車のボディ溶接などに使われ、金属を圧着させて電流を流し、その抵抗熱で金属を溶かし接合するスポット溶接などがあります。
自動車のボディ溶接などに使われ、金属を圧着させて電流を流し、その抵抗熱で金属を溶かし接合するスポット溶接などがあります。
回路例

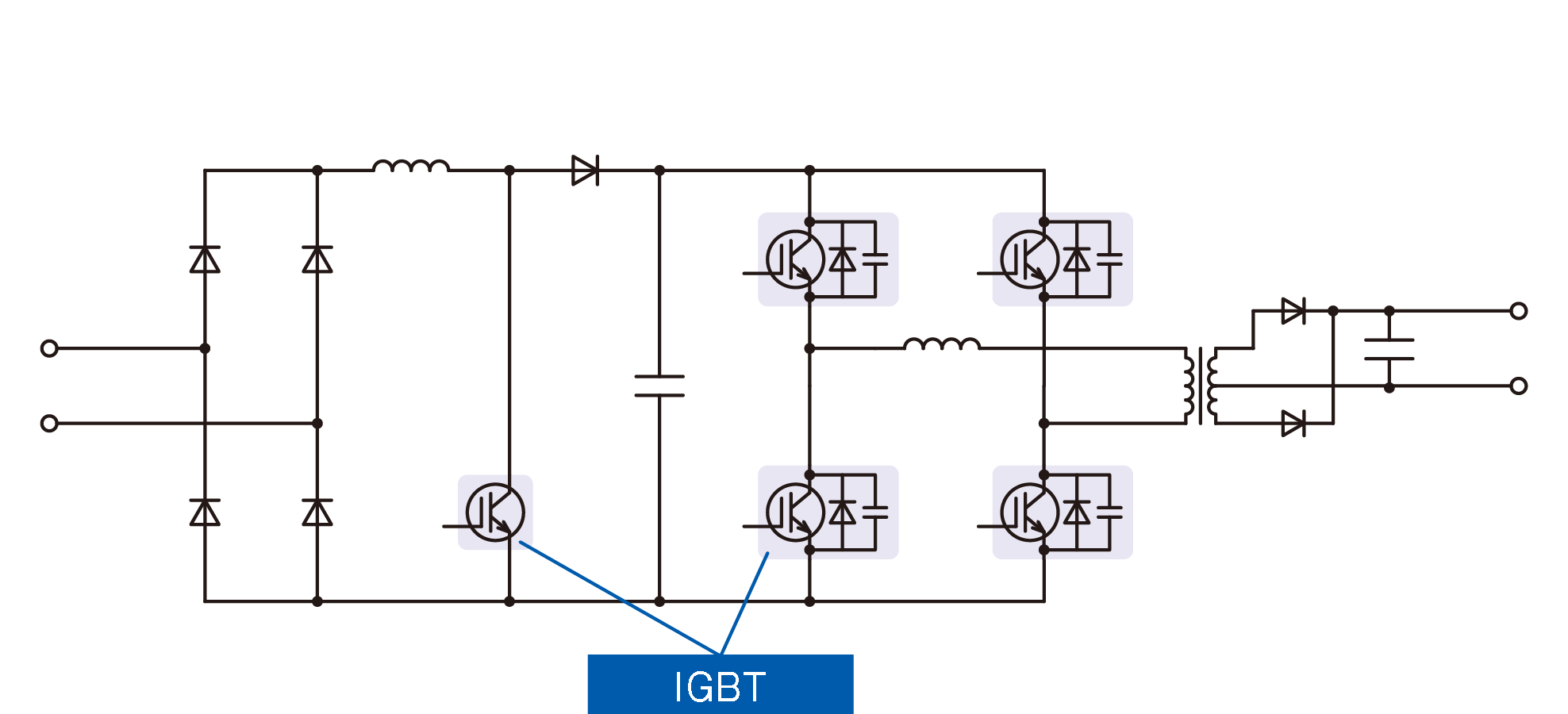
図1. Hard switching type

図2. Soft switching type (ZVS)

図3. Soft switching type (ZVZCS)

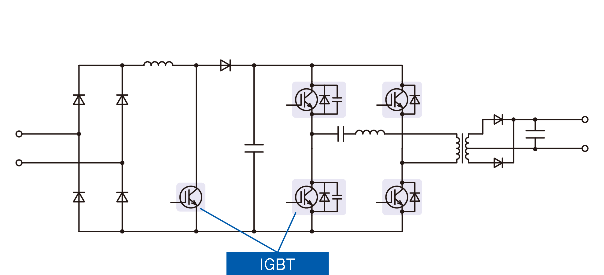
図4. Phase Shift Soft switching converter (ZVZCS)
ディスクリートIGBT
NEW 新製品
UP 更新
UD 開発中



